Displaying live data on a document (updated when needed)

Displaying live data on a document (updated when needed)

  • Click the Bhv camera icon.png button on the toolbar to start Slow Mode / Snapshot Mode live data collection.
  • Double click the Bhv camera icon.png button to stop.
  • A single click on Bhv camera icon.png will refresh the displayed live data.

Behavior

Slow Mode fetches live data for the currently visible hotspots once when you turn it on, and again each time you view a different document, zoom, or scroll. If you do none of these things, Slow Mode will fetch fresh data every ten seconds.

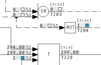
Use this feature to retrieve live block values from your ABB INFI 90 process control system. Data is fetched from the Hyperview Service that Hyperview in a Browser is connected to. Hyperview Service fetches the data from a CIUMon that it is connected to. See Showing live data for more information.

Hv-live-data-cad.png

When you first view a document that is fully zoomed out, so that the entire document is visible, Slow Mode will delay requesting data for five seconds. This is so that if you are immediately zooming in, data for the entire document won't have been fetched unnecessarily. You can cause data to be requested immediately by clicking the Slow Mode button in the toolbar.

If more than the default eleven seconds passes before data is updated (the default Hyperview stale data interval), the data will display as "gray" so that you can tell it is old. You can fetch fresh data immediately by clicking the Slow Mode button on the toolbar.

Hv-live-data-cad-stale.png


See Also